機車-車架-後視鏡
彎管機
CNC線切割加工機
氣壓缸
分度盤,立橫兩用
搜尋結果
×
繁中
EN
Toggle navigation
雙色塑膠射出模具
分條機,鋼(鐵)板/卷
鑽頭用彈性筒夾
油壓泵
CNC線切割加工機
關於公司
新聞消息
產品介紹
電子型錄
影音
設備
聯絡公司
1
YRS
御豹企業股份有限公司
CEC YUH BAW CO., LTD.
886-2-82619777
886-2-82618555
新北市土城區中華路一段56巷9號
www.cec-tw.com.tw
產品介紹
御豹企業股份有限公司
產品介紹
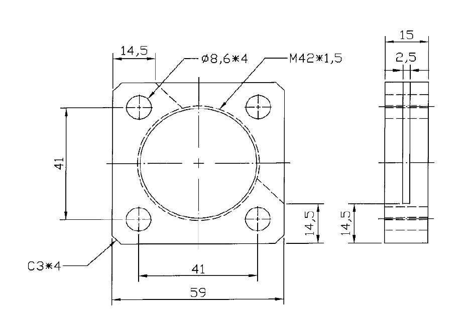
油壓緩衝器 FC系列可調式
FC 4250
商品簡介
Product Summary-商品簡介
油壓緩衝器 SC系列自動補償式
-SC 0806
-SC 0806 NC
-SC 1008
-SC 1008 NC
-SC 1210
-SC 1210 NC
-SC 1412
-SC 1412 BS
-SC 1412 BS NC
-SC 1412 NC
-SC 1415
-SC 1415 NC
-SC 1425
-SC 1425 NC
-SC 2020
-SC 2020 NC
-SC 2030
-SC 2030 SO
-SC 2050
-SC 2050-11A
-SC 2525
-SC 2525 NC
-SC 2540
-SC 2550
-SC 2580
-SC 2725
-SC 2725 NC
-SC 3660
油壓緩衝器 FC系列可調式
-FC 1410
-FC 1410 NC
-FC 2016
-FC 2016 NC
-FC 2020
-FC 2020 NC
-FC 2525
-FC 2525 NC
-FC 2540
-FC 2550
-FC 2725
-FC 2725 NC
-FC 3625
-FC 3650
-FC 4225
-FC 4250
-FC 4275
油壓緩衝器 SCD系列
-SCD 2030
-SCD 2035
-SCD 2050
油壓精密穩速器
-SR 30
-SR 60
-SR 100
油壓緩衝器 FC系列可調式
FC 4250
Contact Supplier
Add to Favorites
規格數據
模具
工具機
車輛
聯絡我們
瀏覽紀錄
Scroll Up